Chb Fence Structural Design : Asdip retain lets you design a fence wall, as it is a special case of a cantilever retaining wall with a very low backfill.

Chb Fence Structural Design : Asdip retain lets you design a fence wall, as it is a special case of a cantilever retaining wall with a very low backfill.. Using lrfd to design highway bridge superstructures. One of the biggest challenges which faces structural engineers today is of keeping up with the latest design guidance. Documents similar to example of structural details for a fence. Private garages, carports, sheds and fences over 1.5 m high. Materials and methods of construction that are not capable of being designed by approved engineering analysis or that do.

Structural systems and members thereof shall be designed to have adequate stiffness to limit deflections as indicated in table 1604.3. Coengineeer (structural) 2 may 08 13:01. Another good option for structural support is to add a metal frame. Horizontal fence designs • horizontal fence design gallery • horizontal fence frame kits • a superior horizontal fence design • wood a horizontal privacy fence is a modern fence design that incorporates wood, vinyl, composite or some other type of infill material in a horizontal layout. Donphillips (structural) 2 may 08 19:43.

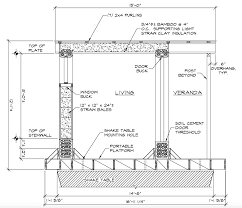
Design Details For Building With Allan Block Fence
Design Details For Building With Allan Block Fence from www.allanblock.com
Coengineeer (structural) 2 may 08 13:01. Asdip retain is a structural engineering software to design retaining walls. Structural drafting india is a trusted choice of partner for your home, business or property fence detailing drawings services. When you're living in such close proximity, it's not failure to maintain a retaining wall by one neighbour can make the structure potentially unsafe for not only themselves but for the other neighbour as well. Our 2 man team has nearly 40 years experience between them and have. Horizontal fence designs • horizontal fence design gallery • horizontal fence frame kits • a superior horizontal fence design • wood a horizontal privacy fence is a modern fence design that incorporates wood, vinyl, composite or some other type of infill material in a horizontal layout. If you're considering a horizontal fence, here's what you should know. Diy table saw fence sys.

(1) ultimately, the end game here is to create a safe structure that would serve its intended purpose.

Chb fencing is your go to fencing company for all your needs. The designer can be opted to either use the reinforcement to designed or reinforcement to be checked option. Table 1604.5 risk category of buildings and other structures. Our 2 man team has nearly 40 years experience between them and have. Let us give you a quote on your fence detailing related projects to provide you with working face detailing drawing and design. Structural systems and members thereof shall be designed to have adequate stiffness to limit deflections as indicated in table 1604.3. Horizontal fencing has been around forever but has recently surged in popularity. Introducing our new fencing range. From the 2007 obc (based on the 2006 ibc). However, the software is so flexible that it can also be used to design a masonry fence wall exposed. For more design information, refer to the structural design of insulating concrete form walls in residential construction (lemay and vrankar, 1998). Pressure treated fence with 1x4 boards, center stringer, 6x6. Protective design further requires the system to accept.

Produce a structure which can resist all applied loads without failure during its service life. This video shows the basics of structural design. Materials and methods of construction that are not capable of being designed by approved engineering analysis or that do. Introducing our new fencing range. Bidding documents construction of concrete hollow block.

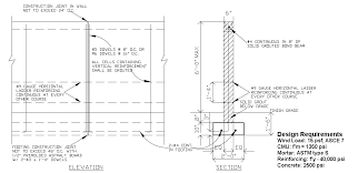
How To Design A Fence Wall Using Asdip Retain Structural Software
How To Design A Fence Wall Using Asdip Retain Structural Software from www.asdipsoft.com
See more ideas about rooftop terrace design, rooftop design, privacy fence designs. Compare different sizes of boards for different effects with same fence design as above picture but the fence boards are 1x6 and not beveled. Introducing our new fencing range. (1) ultimately, the end game here is to create a safe structure that would serve its intended purpose. Asdip retain is a structural engineering software to design retaining walls. There are some basics steps that should be followed for the construction of any structure. Masonry fences are generally designed using one of five methods cantilevered fence structural design. Table 1604.5 risk category of buildings and other structures.

Our 2 man team has nearly 40 years experience between them and have.

Horizontal fencing has been around forever but has recently surged in popularity. This will also help make the fence more solid and provide a good surface to attach the rails. Donphillips (structural) 2 may 08 19:43. Pictures of fence designs for you to browse through. Masonry fences are generally designed using one of five methods cantilevered fence structural design. For more design information, refer to the structural design of insulating concrete form walls in residential construction (lemay and vrankar, 1998). Fixed a structure loads button selection issue on the explorer pane which caused an access violation message to be displayed. We are the experts in design and building all types of colorbond, polycarbonate (laserlite) and tiled pitched roof verandahs. Table 1604.5 risk category of buildings and other structures. If commercial precast fences are to be used, it shall be indicated in the plans and shall be approved and certified by the engineer. Temporary structure design (construction site protection fence design). Generally, there are four steps: Completion of the works is required 60 calendar days.

See more of chb fencing on facebook. This video shows the basics of structural design. Fence gaps on a horizontal fence work roughly like a set of partially closed window shades. Bidding documents construction of concrete hollow block. This will also help make the fence more solid and provide a good surface to attach the rails.

Magkano Gastos Mag Pabakod Ng Hollow Blocks Concrete Fence How To Estimate Chb Fence Youtube
Magkano Gastos Mag Pabakod Ng Hollow Blocks Concrete Fence How To Estimate Chb Fence Youtube from i.ytimg.com
(1) ultimately, the end game here is to create a safe structure that would serve its intended purpose. Fixed a structure loads button selection issue on the explorer pane which caused an access violation message to be displayed. Donphillips (structural) 2 may 08 19:43. Never, but never question engineer's judgement. Chb fencing is your go to fencing company for all your needs. When you're living in such close proximity, it's not failure to maintain a retaining wall by one neighbour can make the structure potentially unsafe for not only themselves but for the other neighbour as well. Bidding documents construction of concrete hollow block. Private garages, carports, sheds and fences over 1.5 m high.

Protective design further requires the system to accept.

If commercial precast fences are to be used, it shall be indicated in the plans and shall be approved and certified by the engineer. There is an abundance of discussion about this fact, but every structural engineer knows that it is easier to produce design calculations when in possession of a relevant design. Private garages, carports, sheds and fences over 1.5 m high. The designer can be opted to either use the reinforcement to designed or reinforcement to be checked option. From chb reinforcement anchored to column post 8x 2 cap max zocalo ht. Another good option for structural support is to add a metal frame. Tables 1, 2 and 3 provide wall thickness and vertical reinforcement requirements for cantilevered walls for three lateral load cases: For more design information, refer to the structural design of insulating concrete form walls in residential construction (lemay and vrankar, 1998). Learn vocabulary, terms and more with flashcards, games and other study tools. Structural systems and members thereof shall be designed to have adequate stiffness to limit deflections as indicated in table 1604.3. For a prescriptive construction approach, consult the prescriptive method for insulating concrete forms in residential construction (hud, 1998). Fixed a structure loads button selection issue on the explorer pane which caused an access violation message to be displayed. Pictures of fence designs for you to browse through.

(1) ultimately, the end game here is to create a safe structure that would serve its intended purpose chb fence design. Generally, there are four steps:

Posting Komentar

0 Komentar